The SOUFFLEX coupling is a thin-walled bellows coupling with grub-screw or collett-nut fixing, to secure the shafts at each end.
The SOUFFLEX coupling has been specially designed to compensate for axial, angular and lateral displacements in any precision mechanical system, the ambient temperature range is -40°C to +150°C.

MATERIAL

Stainless steel Z08 CNT 18-10 for types :
383-393-410-411-440-441-491-493-494-495-496.
Bronze(Cu SN 6) for types :
420-421-428-450-451-470-475-480-490.
Beryllium-bronze for types : 430-460
Nickel électrodéposé pour les types :
310-320-330-335-340-345.

FIXING

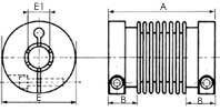
1- Grub-screw fixing : fig.1
2- Collett-nut fixing : fig.2
3- Split-collar with clamp-screw fixing : fig.3

The graphs and drawings shown will permit the selection of the most suitable model for any given application for the torque to be transmitted and maximum displacements envisaged.
It should be noted that SOUFFLEX couplings are homokinetic.
Tests carried out in our laboratory, from which the graphs have been drawn, were verified by the french national test laboratory of A.M., file reference 603088.

Fig.
Material
Type
1
Nickel
310-320-330-340
Inox
383-393-410-411-495
Bronze
420-421-428-470-475
Beryllium
430
Fig.
Material
Type
2
Inox
440-441
Bronze
450-451
Beryllium
460
Fig.
Material
Type
3
Nickel
335-345
Inox
491-493-494-496
Bronze
490