( * E1>12,7 -> E<=30) (= Standard ) ((B)=Beryllium)
Fig.
Référence
E1*
2
3
3,17
4
5
6
6,35
7
8
9
9,53
10
11
12
12,7
13
14
15
16
1
420
-
-
-
-
-
-
-
-
-
-
-
-
-
-
-
-
-
421
-
-
-
-
-
-
-
-
-
-
-
-
-
-
-
-
-
428
-
-
-
-
-
-
-
-
-
-
-
-
-
-
-
-
-
-
(B) 430
-
-
-
-
-
-
-
-
-
-
-
-
-
-
-
-
-
470
-
-
-
-
-
-
-
-
-
-
-
-
-
-
475
-
-
-
-
-
-
-
-
-
-
-
-
-
-
-
3
450
-
-
-
-
-
-
-
-
-
-
-
-
-
-
-
-
-
451
-
-
-
-
-
-
-
-
-
-
-
-
-
-
-
-
-
(B) 460
-
-
-
-
-
-
-
-
-
-
-
-
-
-
-
-
-
480
-
-
-
-
-
-
-
-
-
-
-
-
-
-
-
2
490
-
-
-
-
-
-
-
-
-
-
-
-
-
-
-
-

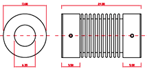
DIMENSIONS
Fig.
Référence
Fixation
A
B
E
1
420
M3
24
5,5 - (CuZn)
13
421
M2,5
24
5,5 - (CuZn)
10
428
M3
26
6,5 - (CuZn)
13
430
M3
25
5,5 - (CuZn)
13
470
M4
40
9,5 - (CuZn)
23
475
M4
28
9,5 - (CuZn)
23
3
450
-
39
13 - (CuZn)
10
451
-
36,5
11 - (CuZn)
8
460
-
41
13 - (CuZn)
10
480
-
63
24,5 - (CuZn)
25
2
490
-
40,5
9 - (CuZn)
25