Les traversées sont conçues pour montage sur châssis métalliques et admettent des intensités supérieures à 10 ampères.

Conducteur : laiton doré sur nickel.

Isolant : Téflon blanc Du Pont de Nemours Bocser 1-2-4 et Borne 46 (ptfe) Arnite Bocser 5 (petp).

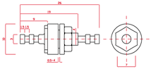
H = de perçage
Fig.
Référence
A
B
B1
B2
C
D
E
E1
G
H
1
BOCSER 1
BOCSER 5
26
26
19
19
1,5
1,5
1,5
1,5
3
3
9
9
4
4
10
15
7
7
6,2
8
H = de perçage
Fig.
Référence
A
B
B1
B2
C
E
E1
G
H
2
BOCSER 2
BOCSER 4
19
19
14,5
14,5
4
4
1,2
1,2
3
3
4
4
10
14
7
7
6,2
6,2
H = de perçage
Fig.
Référence
A
B
C
D
E
E1
G
H
3
BORNE 46
20
6,4
5,6
4
2,5
6,35
4,50
4,35

Les Bocser se fixent par serrage des deux parties isolantes sur la platine à l'aide d'un écrou spécial
qui permet un serrage sur des épaisseurs variant de 0,5 à 4 mm.

Les bornes 46 se fixent par simple pression.